
近日,江苏省住房和城乡建设厅发布《江苏省既有建筑改造和加固工程结构施工图设计文件技术审查要点(2025 年版)》,自2025年7月1日起施行。具体内容如下:



1 总 则
1.0.1 为规范江苏省既有建筑改造和加固工程结构施工图设计审查工作,明确审查内容,统一审查标准,依据《实施工程建设强制性标准监督规定》(建设部令第 81 号)和《房屋 建筑和市政基础设施工程施工图设计文件审查管理办法》(住房和城乡建设部令第 13 号),制定本要点。
1.0.2 本要点适用于江苏省内常规类型既有建筑改造和加固工程的结构施工图设计文件技术审查。对历史建筑的结构改造,应按专门规定进行技术审查,本要点可作为参考。古建筑以及有行业特殊要求的既有建筑,其改造和加固应按相关专门规定进行技术审查。
【编制说明】
1 历史建筑定义
《历史文化名城保护规划标准》GB/T 50357-2018 第 2.0.10 条对历史建筑进行了术语解 释:“经城市、县人民政府确定公布的具有一定保护价值,能够反映历史风貌和地方特色 的建筑物、构筑物。”此外,《近现代历史建筑结构安全性评估导则》WW/T 0048-2014 第 3. 1 条对近现代历史建筑进行了术语解释: “近现代(1840~1978年)建造,经县级以上 人民政府确定公布的具有一定保护价值,能够反映历史风貌和地方特色的建筑物。”因此,在对历史建筑进行改造和加固时,应按上述技术文件进行审查,本要点可作为参考。
2 本要点既有建筑适用范围
《建筑抗震鉴定标准》GB 50023-2009 第 1.0.2 条条文说明指出:“ ……本标准的现有 建筑,只是既有建筑中的一部分,不包括古建筑、新建的建筑工程(含烂尾楼)和危险房屋 …… ”。 因此,本要点涉及的既有建筑范围不包括古建筑、烂尾楼和危险房屋。
关于古建筑,《古建筑砖石结构维修与加固技术规范》GB/T 39056-2020 第 3. 1.5 条将 其定义为:“运用传统材料、传统技术建于 1840 年以前的具有历史、艺术、科学、社会和 文化价值的建筑物和构筑物 ”。古建筑的改造与加固应遵循专门规定进行技术审查。
关于烂尾楼,鉴于不同项目的建设状态、搁置时间及环境条件差异较大,烂尾楼的改 造与加固情况较为复杂,本要点难以覆盖所有情形。
关于危险房屋,根据《城市危险房屋管理规定》(中华人民共和国建设部令第 129 号) 第二条规定: “本规定所称危险房屋,系指结构已严重损坏或承重构件已属危险构件,随时有可能丧失结构稳定和承载能力,不能保证居住和使用安全的房屋 ”。 因此,此类房屋不属于本要点的适用范围。
1.0.3 本要点依据截至 2025 年4 月1 日发布的法规及与既有建筑改造和加固相关的工程建设标准编制。自2025 年4月1 日起,如有新版法规和工程建设标准实施,应以新版法规和工程建设标准为准。
1.0.4 除按建设部令第81 号《实施工程建设强制性标准监督规定》第五条规定完成审定(或 备案)的情况外,设计单位和设计人员对审查中发现的不符合工程建设标准强制性条文或违反法规的问题,必须进行修改,否则施工图审查不能通过。
对于审查中发现的其他问题,如设计未严格执行本要点的规定,应有充分依据。审查时应根据相关标准的“用词说明 ”,按其用词的严格程度予以区别对待。
2 基本规定
2.1 一般规定
2.1.1 本要点规定的审查内容基于与既有建筑改造和加固相关的现行工程建设标准(包括国家标准、行业标准、地方标准)及法律法规、规章、规范性文件编写,主要包括下列内容:
1 现行强制性工程建设规范中与施工图设计相关的条文;
2 现行国家标准、行业标准及地方标准中对地基基础和主体结构安全性影响较大的非 强制性条文;
3 现行法律法规、规章、规范性文件中涉及技术管理且需在施工图设计中落实的规定。与既有建筑改造和加固相关的现行工程建设标准详见附录 A。
2.1.2 既有建筑改造和加固工程结构施工图设计文件的审查,如涉及原设计采用标准、与改造加固相关现行标准应符合住房城乡建设部已颁布的《建筑工程施工图设计文件技术审 查要点》(建质〔2013〕87 号)的相关规定;如涉及减隔震技术应用,应符合住房城乡建 设部已颁布的《减隔震建筑施工图设计文件技术审查要点》(建质函〔2015〕153 号)的相 关规定。
注:1)若上述审查要点更新,应执行新的审查要点规定;
2)若上述审查要点中引用的标准更新,且相应条文发生变化,应参照原审查要点中的条文,执 行现行标准中对应或类似的条款。
2.2 技术审查资料及结构加固施工图设计深度的要求
2.2.1 既有建筑改造和加固工程结构施工图设计文件技术审查资料一般包括:
1 改造涉及的原始项目资料:
1)必要时提供原项目的《岩土工程勘察报告》与原结构计算书;
2)相关专业竣工图纸或结构现状复原图(包括建筑结构基础、平面、配筋等现状复原图);
3)历次加固、改造的资料。
2 当需进行鉴定时,应按鉴定类别提供对应的鉴定报告:仅涉及安全性鉴定时,应提供安全性鉴定报告;涉及抗震鉴定时,应同时提供安全性鉴定报告与抗震鉴定报告。
3 若涉及基础改造加固设计,尚应提供经审查合格的《岩土工程勘察报告》或《岩土工程补充勘察报告》 。改造后若采用桩基础,应根据桩基设计等级要求确定是否提供单桩 静载试验报告;若采用抗浮锚杆方案,应提供抗拔静载试验报告。
4 若改造涉及超限高层建筑工程,应提供超限高层建筑工程抗震设防专项审查批文。
5 既有建筑改造和加固工程结构施工图设计文件。
6 其他相关资料(如作为设计依据的专家论证意见等)。
【编制说明】
1 结构局部改造需同时满足以下条件:改造后不延长工作年限;抗震设防类别未提高; 抗侧力构件未改动;主体结构布置无明显改变,且不会对原结构产生新的薄弱部位;加固 后的抗震单元内结构刚度和重力荷载代表值的变化分别不超过原来的 10%和 5%。
当房屋因局部改造(不包括加层、插层或扩建, 以及小范围加层、插层或扩建) ,且改造内容仅影响一定范围的结构构件安全,可仅进行结构安全性鉴定或对相应区域进行局 部结构安全性鉴定。适用场景包括:混凝土屋顶绿化改造或增设太阳能设施、不涉及抗侧 力构件改动的楼板局部开洞或封堵、单个或多个房间用途变更(如办公室改为档案室) 、 局部新增重型设备, 以及因灾害或事故导致的局部结构损伤修复等。
局部结构安全性鉴定应涵盖改造影响的构件及其关联构件,无论涉及构件数量多少,均应进行安全性鉴定并给出评级结果。
安全性鉴定中,无论是整体还是局部鉴定,原则上宜建立全楼结构模型进行复核。考虑到既有建筑存在多使用方或产权分割的情况,结构局部改造项目必要时可仅对影响范围 内的构件进行检测。
对于因地震动参数调整导致抗震设防烈度提高地区的改造项目,若房屋实施结构局部改造(不包括加层、插层或扩建, 以及小范围加层、插层或扩建),也可仅进行安全性鉴 定。
2 既有建筑在下列情况下应进行抗震鉴定:
1)达到或超过设计工作年限需要继续使用的;
2)原设计未考虑抗震设防、抗震设防烈度或抗震设防类别变化导致抗震设防要求提 高的;
3)建筑改造导致荷载明显增加*注或抗侧力构件改动的;
4)其他有必要进行抗震鉴定的。
注:“荷载明显增加 ”是指改造后建筑的重力荷载代表值的增量超过 5%。
3 既有高层建筑结构改造时,应根据以下要求进行超限高层建筑工程的界定:
1)1998 年及以后建造的高层建筑,当所在区域抗震设防烈度提高时,宜按提高后的 抗震设防烈度,结合原设计标准及《超限高层建筑工程抗震设防专项审查技术要点》(建质〔2015〕67 号)的规定,界定其是否属于高度超限的高层建筑工程;
2)1998 年及以后建造的高层建筑,若改造前属于普通高层建筑,结构改造后导致原有不规则项数增加或不规则程度加剧,应根据《超限高层建筑工程抗震设防专项 审查技术要点》(建质〔2015〕67 号)的规定,界定是否属于规则性超限的高层 建筑工程;
3)1998 年前设计建造的高层建筑工程,其设计主要依据《钢筋混凝土高层建筑结构 设计与施工规定》JZ 102-79 或《钢筋混凝土高层建筑结构设计与施工规程》JGJ3-91 等规范。上述规范规定了高层建筑的最大适用高度、高宽比限值及体型规则性等要求,但未包含位移比、周期比、楼板不连续、承载力突变等不规则项的量化指标。在对该类既有高层建筑进行结构改造时,考虑到既有建筑与新建工程在抗震设计要求上的差异,界定其不规则项量化指标的控制要求时应进行专门研究。
2.2.2 结构改造和加固的设计总说明应符合《建筑工程设计文件编制深度规定(2016 版)》规定,并包括以下内容:
1 工程概况
1)建设地点、建造年份、原设计使用功能及采用的规范标准(包括但不限于设计时 执行的结构、抗震、荷载等规范)、原结构的超限情况、当前层数(地上/地下)、建筑总高度、建筑总面积等。
2)建筑物使用历史与现状(包括历次维修改造记录、功能变更情况等)。若存在未妥善保护或维修的状况,应专项说明。
3)改造前、后结构设计的基本信息(包括结构体系、抗震设防类别、后续工作年限、抗震等级、基础形式、地基基础设计等级等)。
4)建筑改造内容(包括功能与布局改变、加层层数及改造后总高度、补洞与开洞部 位及面积、新增电梯及其他设施、立面改造前后形式、局部改造部位及范围等)。
5)明确项目是否涉及整体改变使用功能、结构局部改造、加层/插层/扩建、小范围加层/插层/扩建。
6)结构加固内容概述(包括结构体系变化、抗震加固措施、构件加固方法等)。
7)若既有高层建筑改造导致原有的不规则项数增加、不规则程度加剧,或抗震设防烈度提高,应说明超限界定情况。
2 主要依据
1)采用的主要标准、法规及图集;
2) 自然条件(包括基本风压、地面粗糙度、基本雪压、抗震设防烈度等);
3)地基基础加固所依据的检测报告、岩土工程勘察报告等资料;
4)鉴定报告及作为设计依据的专家论证意见;
5)项目的准予行政许可决定书(如改造涉及超限高层建筑工程)。
3 主要荷载(作用)取值。
4 建筑结构安全等级、耐火等级、环境类别及腐蚀性等级等。
5 主要结构材料性能要求(包括砌筑材料、混凝土、钢材、结构胶粘剂、锚栓等)。
6 构造要求(包括加固通用构造大样、植筋深度、构件防腐防火构造等)。
7 加固施工要求
1)施工企业特种施工资质要求;
2)对施工过程中现场查勘的要求,包括现场结构破损查勘或其他补勘要求;
3)拆除或新增结构工序组织要求;
4)安全措施要求(包括防倾斜、失稳、变形、坍塌等临时措施);
5)增大截面、外粘纤维复合材、外包型钢、粘贴钢板、置换混凝土等加固方法的施工工艺要求。
8 检测、监测要求
1)主要结构材料性能指标(包括结构胶安全性能、植筋/锚栓拉拔检测值等);
2)加层、插层或扩建以及涉及荷载较大变化改造的沉降观测要求。
9 涉及危大工程的重点部位和环节,以及保障工程周边环境安全和工程施工安全的意见(必要时)。
10 后期使用注意事项及检查维护周期。
11 其它
1)图纸标高系统;
2)图纸平面表示方法、加固构造等。
【编制说明】
1 主要荷载(作用)取值中应说明新增隔墙材质要求及容重限值,原降板区域填平材 料要求及容重限值, 同时建议提供荷载平面布置图。
2 对使用胶粘方法或掺有聚合物材料加固的结构、构件, 尚应定期检查其工作状态, 检查的时间间隔可由设计单位确定,但第一次检查时间不应迟于 10 年。
2.2.3 既有建筑改造和加固工程结构施工图应包括下列内容:
1 结构拆除平面图:应明确标注结构构件的拆除范围、拆除方式、钢筋处理措施及安全要求等内容。
2 结构改造平面图:应包含新增构件、减隔震装置等改造后结构平面布置图。
3 结构新增构件配筋图。
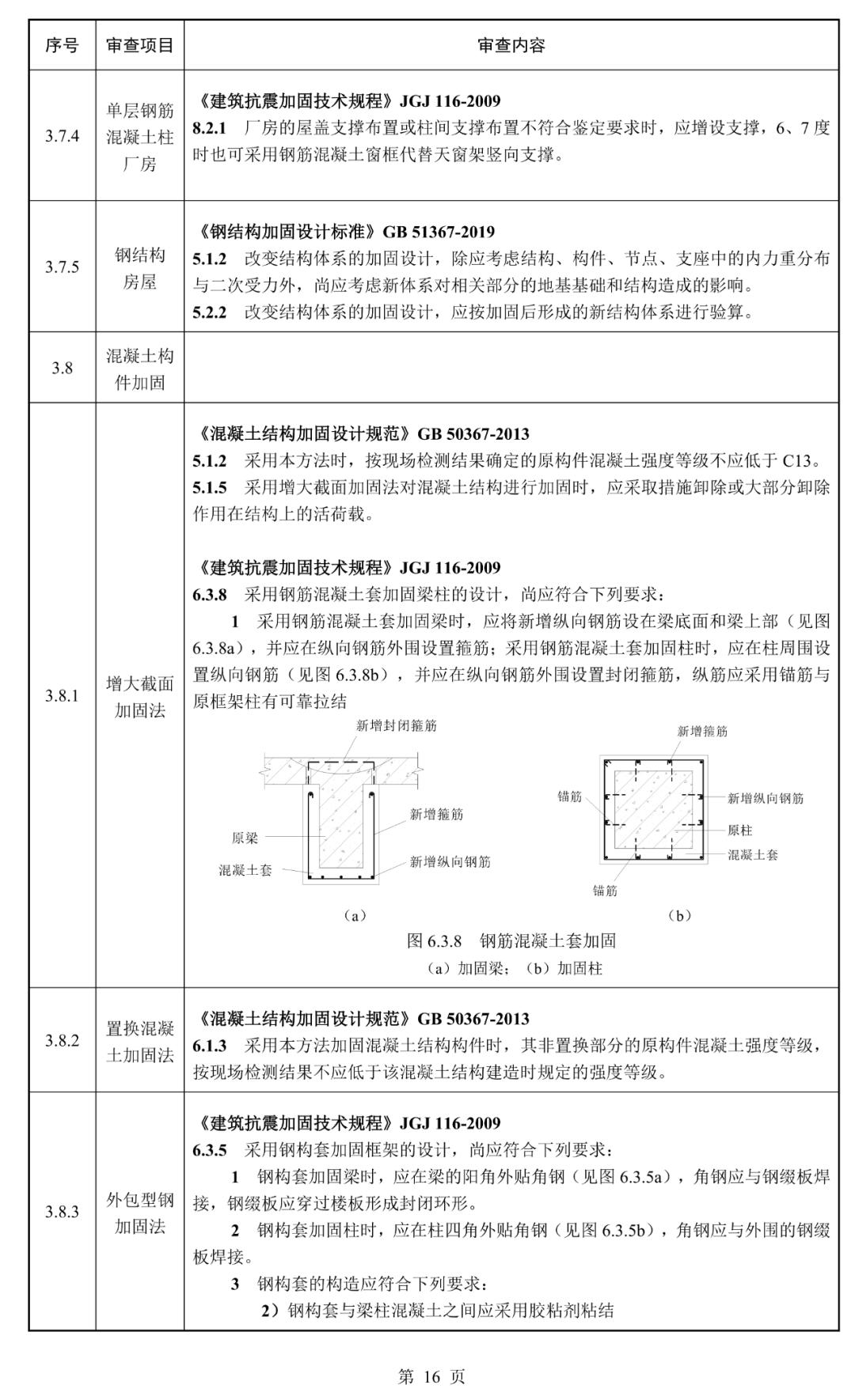
4 结构加固图:应包括基础、墙柱、梁、板等加固部位的加固图纸,并明确加固措施和构造要求。
5 节点加固详图及构造要求:应详细说明节点加固的具体构造和必要的施工细节。
3 技术审查要点





















官方链接:http://jsszfhcxjst.jiangsu.gov.cn/art/2025/6/20/art_8639_11586320.html

还没有评论,来说两句吧...